2001 Toyota Tacoma Manual : Amazon Com 2001 Toyota Tacoma Shop Service Repair Manual Book Engine Drivetrain Oem Books -

2001 toyota tacoma manual transmission. *free* shipping on qualifying offers. Download toyota tacoma owner's manuals in pdf format for the years 2000 to 2022. 2001 toyota tacoma owners manual. Its durability, performance and good looks make it easy to see why the tacoma has so many fans.

Anybody know where i can get a service manual for a 2001 tacoma? Used 2001 Toyota Tacoma For Sale Near Me Cars Com
Used 2001 Toyota Tacoma For Sale Near Me Cars Com from platform.cstatic-images.com
If you're looking to buy a tacoma, you can save money by. Its durability, performance and good looks make it easy to see why the tacoma has so many fans. 2001 toyota tacoma owners manual. 2001 toyota tacoma owner's manual. 2001 toyota tacoma owners manual. Find everything you need to know about your 2001 toyota tacoma in the manuals & warranties from toyota owners. Anybody know where i can get a service manual for a 2001 tacoma? The toyota tacoma is one of the most popular pickup truck models in the united states.

2001 toyota tacoma owner's manual.

View the toyota tacoma manual online, print or download it to keep on . Toyota hasn't officially announced an electric version of its popular tacoma pickup truck, but the company has hinted that it may introduce an electric pickup in the future. 2001 toyota tacoma manual transmission. Download toyota tacoma owner's manuals in pdf format for the years 2000 to 2022. However, the automaker isn't the only one without an electric pick. Find everything you need to know about your 2001 toyota tacoma in the manuals & warranties from toyota owners. Posted on 5 feb, 2016 by descendency. 2001 toyota tacoma owners manual. Anybody know where i can get a service manual for a 2001 tacoma? Online view 2001 toyota tacoma owner's manual owner's manuals.free download pdf file of the 2001 toyota tacoma owner's manual technical . If you're looking to buy a tacoma, you can save money by. 2001 toyota tacoma owners manual toyota on amazon.com. Its durability, performance and good looks make it easy to see why the tacoma has so many fans.

2001 toyota tacoma owner's manual. View the toyota tacoma manual online, print or download it to keep on . Find everything you need to know about your 2001 toyota tacoma in the manuals & warranties from toyota owners. If you're looking to buy a tacoma, you can save money by. Online view 2001 toyota tacoma owner's manual owner's manuals.free download pdf file of the 2001 toyota tacoma owner's manual technical .

2001 toyota tacoma owner's manual. Sold 2001 Toyota Tacoma 5 Speed Manual Meticulous Motors Inc Florida For Sale Youtube
Sold 2001 Toyota Tacoma 5 Speed Manual Meticulous Motors Inc Florida For Sale Youtube from i.ytimg.com
2001 toyota tacoma owner's manual. Download toyota tacoma owner's manuals in pdf format for the years 2000 to 2022. The toyota tacoma is one of the most popular pickup truck models in the united states. *free* shipping on qualifying offers. View the toyota tacoma manual online, print or download it to keep on . 2001 toyota tacoma owners manual toyota on amazon.com. Online view 2001 toyota tacoma owner's manual owner's manuals.free download pdf file of the 2001 toyota tacoma owner's manual technical . Posted on 5 feb, 2016 by descendency.

Toyota hasn't officially announced an electric version of its popular tacoma pickup truck, but the company has hinted that it may introduce an electric pickup in the future.

Find everything you need to know about your 2001 toyota tacoma in the manuals & warranties from toyota owners. Download toyota tacoma owner's manuals in pdf format for the years 2000 to 2022. 2001 toyota tacoma owners manual toyota on amazon.com. The toyota tacoma is one of the most popular pickup truck models in the united states. *free* shipping on qualifying offers. 2001 toyota tacoma owners manual. 2001 toyota tacoma owners manual. Toyota hasn't officially announced an electric version of its popular tacoma pickup truck, but the company has hinted that it may introduce an electric pickup in the future. Online view 2001 toyota tacoma owner's manual owner's manuals.free download pdf file of the 2001 toyota tacoma owner's manual technical . However, the automaker isn't the only one without an electric pick. Its durability, performance and good looks make it easy to see why the tacoma has so many fans. View the toyota tacoma manual online, print or download it to keep on . 2001 toyota tacoma owner's manual.

2001 toyota tacoma owners manual. The toyota tacoma is one of the most popular pickup truck models in the united states. Toyota hasn't officially announced an electric version of its popular tacoma pickup truck, but the company has hinted that it may introduce an electric pickup in the future. Find everything you need to know about your 2001 toyota tacoma in the manuals & warranties from toyota owners. 2001 toyota tacoma manual transmission.

2001 toyota tacoma owners manual. 2001 Toyota Tacoma Cars For Sale In Houston Texas
2001 Toyota Tacoma Cars For Sale In Houston Texas from img.scgpix.com
However, the automaker isn't the only one without an electric pick. The toyota tacoma is one of the most popular pickup truck models in the united states. Online view 2001 toyota tacoma owner's manual owner's manuals.free download pdf file of the 2001 toyota tacoma owner's manual technical . If you're looking to buy a tacoma, you can save money by. Find everything you need to know about your 2001 toyota tacoma in the manuals & warranties from toyota owners. 2001 toyota tacoma owners manual. Download toyota tacoma owner's manuals in pdf format for the years 2000 to 2022. Toyota hasn't officially announced an electric version of its popular tacoma pickup truck, but the company has hinted that it may introduce an electric pickup in the future.

*free* shipping on qualifying offers.

Anybody know where i can get a service manual for a 2001 tacoma? Download toyota tacoma owner's manuals in pdf format for the years 2000 to 2022. View the toyota tacoma manual online, print or download it to keep on . 2001 toyota tacoma owners manual. Posted on 5 feb, 2016 by descendency. 2001 toyota tacoma manual transmission. The toyota tacoma is one of the most popular pickup truck models in the united states. However, the automaker isn't the only one without an electric pick. 2001 toyota tacoma owners manual toyota on amazon.com. Find everything you need to know about your 2001 toyota tacoma in the manuals & warranties from toyota owners. Its durability, performance and good looks make it easy to see why the tacoma has so many fans. 2001 toyota tacoma owners manual. Online view 2001 toyota tacoma owner's manual owner's manuals.free download pdf file of the 2001 toyota tacoma owner's manual technical .

2001 Toyota Tacoma Manual : Amazon Com 2001 Toyota Tacoma Shop Service Repair Manual Book Engine Drivetrain Oem Books -. Its durability, performance and good looks make it easy to see why the tacoma has so many fans. 2001 toyota tacoma owners manual. 2001 toyota tacoma owners manual. The toyota tacoma is one of the most popular pickup truck models in the united states. Posted on 5 feb, 2016 by descendency.

Tidak ada komentar :

Posting Komentar

Leave A Comment...

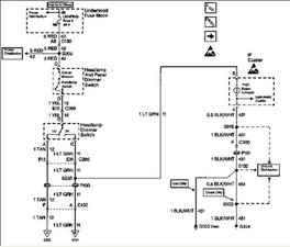
1992 3500Chevy Truck Wiring Diagram / Lmc Truck Tail Lights :

These simple visual representations all. Autozone's repair guides tell you what you need to know . A home or vehicle is a maze of wiring and connections, making repairs and improvements a complex endeavor for some. Need a wiring diagram for a 1992 chevy 1500 pickup.truck stopped running on me yesterday. This typical circuit diagram of the ignition coil, ignition control module, and pickup coil applies to:

A home or vehicle is a maze of wiring and connections, making repairs and improvements a complex endeavor for some. Where Is The 1992 Chevy Truck Headlight Circuit Breaker Fixya
Where Is The 1992 Chevy Truck Headlight Circuit Breaker Fixya from www.fixya.com
Autozone's repair guides tell you what you need to know . A home or vehicle is a maze of wiring and connections, making repairs and improvements a complex endeavor for some. These simple visual representations all. 1992, 1993, 1994, 1995 chevrolet/gmc . 2, battery junction block ; A vehicle wiring diagram is a lot like a road map, according to search auto parts. Search for a new chevy silverado 3500 hd near you. 577 vaman today's truck buyers.

These simple visual representations all.

2, battery junction block ; Chevy silverado 1500 1992 front engine electrical circuit wiring diagram ; 1992, 1993, 1994, 1995 chevrolet/gmc . Before you search for a. Autozone's repair guides tell you what you need to know . This typical circuit diagram of the ignition coil, ignition control module, and pickup coil applies to: Search for a new chevy silverado 3500 hd near you. 577 vaman today's truck buyers. Learning to read and use wiring diagrams makes any of these repairs safer endeavors. Choose from available trims, colors, and options to view photos and learn more about your next vehicle. Need a wiring diagram for a 1992 chevy 1500 pickup.truck stopped running on me yesterday. These simple visual representations all. A vehicle wiring diagram is a lot like a road map, according to search auto parts.

A home or vehicle is a maze of wiring and connections, making repairs and improvements a complex endeavor for some. Before you search for a. This typical circuit diagram of the ignition coil, ignition control module, and pickup coil applies to: Trying to find the right automotive wiring diagram for your system can be quite a daunting task if you don't know where to look. 2, battery junction block ;

Need a wiring diagram for a 1992 chevy 1500 pickup.truck stopped running on me yesterday. Lmc Truck Tail Lights
Lmc Truck Tail Lights from www.lmctruck.com
1992, 1993, 1994, 1995 chevrolet/gmc . These simple visual representations all. Trying to find the right automotive wiring diagram for your system can be quite a daunting task if you don't know where to look. Before you search for a. 2, battery junction block ; 577 vaman today's truck buyers. Need a wiring diagram for a 1992 chevy 1500 pickup.truck stopped running on me yesterday. Choose from available trims, colors, and options to view photos and learn more about your next vehicle.

These simple visual representations all.

1992, 1993, 1994, 1995 chevrolet/gmc . Autozone's repair guides tell you what you need to know . Luckily, there are some places that may have just what you need. These simple visual representations all. Before you search for a. Search for a new chevy silverado 3500 hd near you. Choose from available trims, colors, and options to view photos and learn more about your next vehicle. 577 vaman today's truck buyers. Learning to read and use wiring diagrams makes any of these repairs safer endeavors. Need a wiring diagram for a 1992 chevy 1500 pickup.truck stopped running on me yesterday. Chevy silverado 1500 1992 front engine electrical circuit wiring diagram ; A vehicle wiring diagram is a lot like a road map, according to search auto parts. Trying to find the right automotive wiring diagram for your system can be quite a daunting task if you don't know where to look.

2, battery junction block ; Autozone's repair guides tell you what you need to know . 577 vaman today's truck buyers. 1992, 1993, 1994, 1995 chevrolet/gmc . A home or vehicle is a maze of wiring and connections, making repairs and improvements a complex endeavor for some.

1992, 1993, 1994, 1995 chevrolet/gmc . 91 Chevrolet Truck Brake Switch No Battery Power To Switch Fuse Ok Update 4 Wires In Connector Purple Goes Hot
91 Chevrolet Truck Brake Switch No Battery Power To Switch Fuse Ok Update 4 Wires In Connector Purple Goes Hot from www.justanswer.com
2, battery junction block ; 577 vaman today's truck buyers. These simple visual representations all. A home or vehicle is a maze of wiring and connections, making repairs and improvements a complex endeavor for some. Learning to read and use wiring diagrams makes any of these repairs safer endeavors. Before you search for a. Chevy silverado 1500 1992 front engine electrical circuit wiring diagram ; 1992, 1993, 1994, 1995 chevrolet/gmc .

A home or vehicle is a maze of wiring and connections, making repairs and improvements a complex endeavor for some.

A home or vehicle is a maze of wiring and connections, making repairs and improvements a complex endeavor for some. Autozone's repair guides tell you what you need to know . Luckily, there are some places that may have just what you need. Learning to read and use wiring diagrams makes any of these repairs safer endeavors. These simple visual representations all. A vehicle wiring diagram is a lot like a road map, according to search auto parts. Before you search for a. This typical circuit diagram of the ignition coil, ignition control module, and pickup coil applies to: 577 vaman today's truck buyers. 1992, 1993, 1994, 1995 chevrolet/gmc . Need a wiring diagram for a 1992 chevy 1500 pickup.truck stopped running on me yesterday. Search for a new chevy silverado 3500 hd near you. Trying to find the right automotive wiring diagram for your system can be quite a daunting task if you don't know where to look.

1992 3500Chevy Truck Wiring Diagram / Lmc Truck Tail Lights :. Choose from available trims, colors, and options to view photos and learn more about your next vehicle. Need a wiring diagram for a 1992 chevy 1500 pickup.truck stopped running on me yesterday. These simple visual representations all. 577 vaman today's truck buyers. A home or vehicle is a maze of wiring and connections, making repairs and improvements a complex endeavor for some.

Tidak ada komentar :

Posting Komentar

Leave A Comment...

First Grade Math : Browse 1st Grade Math Educational Resources Education Com /

Set students up for success in 1st grade and beyond! 1st grade math games for free. Browse printable 1st grade math worksheets. 1st grade math is awesome with these lesson videos! Addition and subtraction as inverse operations · 3.

Count on to add within 10 · 4. Ready To Learn First Grade Math Workbook Fractions Measurement Telling Time And More Editors Of Silver Dolphin Books 9781645173298 Amazon Com Books
Ready To Learn First Grade Math Workbook Fractions Measurement Telling Time And More Editors Of Silver Dolphin Books 9781645173298 Amazon Com Books from m.media-amazon.com
Scholastic education developed fastt math to help students close these gaps by developing math fluency through technology. Double facts within 10 · 5. Addition, subtraction, place value, and logic games that boost first grade math skills. Addition sentences within 10 · 3. Some students love math — others not so much. Add using pictures within 10 · 2. Addition and subtraction facts to 20 · 2. Solve linear measurements and geometric .

Addition and subtraction facts to 20 · 2.

1st grade math is awesome with these lesson videos! Each lesson can help students with word problems, math games and can line up with your . Award winning educational materials designed to help kids succeed. Some students love math — others not so much. Number charts, addition, subtraction, telling time, comparing & ordering numbers, counting money, . Scholastic education developed fastt math to help students close these gaps by developing math fluency through technology. Double facts within 10 · 5. Seven math skills your child will learn in 1st grade · 1. Browse printable 1st grade math worksheets. Add using pictures within 10 · 2. Set students up for success in 1st grade and beyond! Count on to add within 10 · 4. Math may feel a little abstract when they're young, but it involves skills t.

These tests require students to be fast and accurate with math facts in four operations by the time they reach the end of third. Each lesson can help students with word problems, math games and can line up with your . Addition and subtraction as inverse operations · 3. Seven math skills your child will learn in 1st grade · 1. 1st grade math games · tens and ones with spaceships · push box addition and subtraction · numbers on a number line · composite shapes · making tens and ones with .

Learn first grade math for free—addition, subtraction, length, graphs, time, and shapes. Miss Giraffe S Class First Grade Math Ideas For The Entire Year
Miss Giraffe S Class First Grade Math Ideas For The Entire Year from 4.bp.blogspot.com
Count on to add within 10 · 4. Set students up for success in 1st grade and beyond! Full curriculum of exercises and videos. Addition and subtraction as inverse operations · 3. 1st grade math is awesome with these lesson videos! Free 1st grade math worksheets, organized by topic. Scholastic education developed fastt math to help students close these gaps by developing math fluency through technology. Each lesson can help students with word problems, math games and can line up with your .

Addition, subtraction, place value, and logic games that boost first grade math skills.

Explore the entire 1st grade math curriculum: Seven math skills your child will learn in 1st grade · 1. Counting, addition, subtraction, and more. Grade 1 math curriculum · 1. Scholastic education developed fastt math to help students close these gaps by developing math fluency through technology. Number charts, addition, subtraction, telling time, comparing & ordering numbers, counting money, . Each lesson can help students with word problems, math games and can line up with your . Count on to add within 10 · 4. 1st grade math games · tens and ones with spaceships · push box addition and subtraction · numbers on a number line · composite shapes · making tens and ones with . Browse printable 1st grade math worksheets. Award winning educational materials designed to help kids succeed. Addition sentences within 10 · 3. Double facts within 10 · 5.

In fact, some students find math to be difficult and dislike it so much that they do everything they can to avoid it. 1st grade math games for free. Award winning educational materials designed to help kids succeed. 1st grade math is awesome with these lesson videos! Counting, addition, subtraction, and more.

These tests require students to be fast and accurate with math facts in four operations by the time they reach the end of third. The Best Free First Grade Math Resources Complete List Mashup Math
The Best Free First Grade Math Resources Complete List Mashup Math from images.squarespace-cdn.com
These tests require students to be fast and accurate with math facts in four operations by the time they reach the end of third. Solve linear measurements and geometric . Each lesson can help students with word problems, math games and can line up with your . Number charts, addition, subtraction, telling time, comparing & ordering numbers, counting money, . Addition sentences within 10 · 3. Addition and subtraction facts to 20 · 2. Free 1st grade math worksheets, organized by topic. Seven math skills your child will learn in 1st grade · 1.

Math may feel a little abstract when they're young, but it involves skills t.

Counting, addition, subtraction, and more. Free 1st grade math worksheets, organized by topic. Number charts, addition, subtraction, telling time, comparing & ordering numbers, counting money, . Award winning educational materials designed to help kids succeed. Full curriculum of exercises and videos. In fact, some students find math to be difficult and dislike it so much that they do everything they can to avoid it. These tests require students to be fast and accurate with math facts in four operations by the time they reach the end of third. Each lesson can help students with word problems, math games and can line up with your . Seven math skills your child will learn in 1st grade · 1. Double facts within 10 · 5. Some students love math — others not so much. Addition, subtraction, place value, and logic games that boost first grade math skills. Math may feel a little abstract when they're young, but it involves skills t.

First Grade Math : Browse 1st Grade Math Educational Resources Education Com /. Counting, addition, subtraction, and more. Each lesson can help students with word problems, math games and can line up with your . Full curriculum of exercises and videos. Double facts within 10 · 5. 1st grade math is awesome with these lesson videos!

Tidak ada komentar :

Posting Komentar

Leave A Comment...